Multiplexor y Demultiplexor

Multiplexor

La multiplexación es el término genérico utilizado para describir la operación de enviar una o más señales analógicas o digitales a través de una línea de transmisión común en diferentes momentos o velocidades y, como tal, el dispositivo que utilizamos para hacer precisamente eso se llama un multiplexor.

multiplexor1

En general, la selección de cada línea de entrada en un multiplexor es controlado por un conjunto adicional de entradas de llamadas de control de líneas y de acuerdo con la condición binaria de estas entradas de control, ya sea «alto» o «LOW» la entrada de datos apropiado está conectado directamente a la salida. Normalmente, un multiplexor tiene un número par de líneas de entrada de datos 2 N y un número de entradas de «control» que se corresponden con el número de entradas de datos.

Multiplexor 1 26-04-16

Demultiplexor

Es un circuito lógico combinatorio que recibe información por una sola línea de entrada
y la transmite a una de las 2^n o menos líneas de salida, teniendo n entradas de selección. Demultiplexor se obtiene de los circuitos decodificadores con entrada de activación.

 

 

Sumador y Restador

Otro circuito lógico combinatorio común y muy útil que puede ser construido utilizando sólo unas pocas puertas lógicas básicas que le permiten poner juntos dos o más números binarios es el sumador binario.

Medio Sumador

Un circuito básico se puede hacer de ANDS y Ex-OR lo que nos permite «añadir» juntos dos números binarios de un solo bit, A y B.

medsum

Y parece bastante completo pero resulta que para sumar mas dígitos necesitamos algo que se llama:

Sumador Completo

Este es más grande pero te da la posibilidad de concatenarlos y así tener mas dígitos.

sumcom

 

Medio Restador

Como su nombre indica, un binario Subtractor es un circuito de toma de decisiones que resta de dos números binarios de la otra, por ejemplo, X – Y para encontrar la diferencia resultante entre los dos números.medres

Restador Completo.

Como el anterior este no se puede usar para más de 1bit .

rescompl

Cristales

En esta ocasión veremos qué onda con los cristales en el área de electrónica y para esto recurriremos a nuestro amigo Superman.

cris1

Vale ya enserio, a diferencia de Superman donde los usaban para guardar información, en electrónica un cristal de cuarzo nos sirve para controlar frecuencias en circuitos eléctricos convirtiendo vibraciones en voltajes eléctricos a una frecuencia especifica. Genial no?

 

Introducción a los Cristales de Cuarzo

Todo lo anterior ocurre debido al efecto «piezoeléctrico». La pieza-electricidad es electricidad creada por una presión mecánica. En un material piezoeléctrico, al aplicar una presión mecánica sobre un eje, dará como consecuencia la creación de una carga eléctrica a lo largo de un eje ubicado en un ángulo recto respecto al de la aplicación de la presión mecánica.
En algunos materiales, se encuentra que, aplicando un campo eléctrico según un eje, produce una deformación mecánica según otro eje ubicado a un ángulo recto respecto al primero. Por las propiedades mecánicas, eléctricas, y químicas, el cuarzo es el material más apropiado para fabricar dispositivos con frecuencia bien controlada.

La siguiente figura muestra la ubicación de elementos específicos dentro de una piedra de cuarzo.

cris2.PNG

Hablando un poco sobre nuestros amigos los cristales…

Su Potencia de trabajo (Drive Level)

Es la potencia disipada por el cristal. Está normalmente especificada en micro o milivatios, siendo un valor típico 100 microvatios.

 

La Tolerancia en la frecuencia

La tolerancia en la frecuencia se refiere a la máxima desviación permitida y se expresa en partes por millón (PPM) para una temperatura especificada, usualmente 25°C.

 

Estabilidad de la frecuencia

La estabilidad de la frecuencia se refiere a la máxima desviación en PPM, en un determinado rango de temperatura. La desviación está tomada con referencia a la frecuencia medida a 25°C.

 

Envejecimiento

El envejecimiento se refiere a los cambios acumulativos en la frecuencia del cristal con el transcurrir del tiempo. Los factores que intervienen son: exceso en la potencia disipada, efectos térmicos, fatiga en los alambres de armado y pérdidas en la elasticidad del cristal. El diseño de circuitos considerando bajas temperaturas ambientales y mínimas potencias en el cristal reducirán el envejecimiento.

 

Y como se usan?

En un circuito muy básico podríamos decir que se ven algo así

cris3

En el llamado Circuito eléctrico equivalente, que se muestra a continuación muestra un esquema del cristal de cuarzo trabajando a una determinada frecuencia de resonancia. El capacitor Co o capacidad en paralelo, representa en total la capacidad entre los electrodos del cristal más la capacidad de la carcasa y sus terminales. R1,C1 y L1 conforman la rama principal del cristal y se conocen como componentes o parámetros motional donde:

L1 representa la masa vibrante del cristal,

C1 representa la elasticidad del cuarzo y

R1 representa las pérdidas que ocurren dentro del cristal.

 

Bien ahora que ya conocemos un poco acerca de esta maravilla de la ingeniería, aprendamos a usarlos de forma organizada.

 

Configuración paralela de un Cristal

Un circuito oscilador paralelo utiliza un cristal que está diseñado para operar con un valor específico de capacidad de carga. Esto resultará en un cristal que tendrá una frecuencia mayor que la frecuencia resonante serie, pero menor que la verdadera frecuencia resonante paralelo. Veamos un circuito básico como se muestra a continuación.

cris4

Este circuito utiliza un inversor simple para hacer el oscilador, donde R1 y R2 cumplen las mismas funciones que en el circuito del oscilador resonante serie (el cual veremos un poco más adelante), con dos capacitores en la realimentación, que componen la capacidad de carga y en conjunto con el cristal darán lugar a la frecuencia a la cual oscilará el circuito. O sea que ajustes en los capacitores de carga, darán lugar a una variación pequeña en la frecuencia de oscilación, permitiendo un ajuste fino de la misma.

El cristal es resonante paralelo, especificado para trabajar con una determinada capacidad de carga a la frecuencia deseada y con la tolerancia y estabilidad deseadas. La capacidad de carga para el cristal en este circuito puede ser calculada con la siguiente fórmula:

cris5

Un dato interesante…

Para inversores de las familias lógicas CMOS de alta velocidad Cs es la capacidad parásita del circuito y normalmente se estima entre 3pf a 10pf.

R1 es del orden de 8.2 MOhm a 10 MOhm

R2 es del orden de 470 Ohm a 2200 Ohm

Configuración serial

Un circuito básico oscilador resonante serie, utiliza un cristal que está diseñado para oscilar en su frecuencia resonante serie natural. En éste circuito no hay capacitores en la realimentación Los circuitos resonantes serie son usados por la baja cantidad de componentes que se utilizan, pero estos circuitos pueden tener componentes parásitos que intervienen en la realimentación. y en el caso que el cristal deje de funcionar oscilarán a una frecuencia impredecible. El esquema del circuito oscilador serie es:

cris6

De la figura del circuito básico del oscilador resonante serie se ve que no existen componentes para ajustar la frecuencia de oscilación. R1 es utilizado para polarizar el inversor en su región lineal de operación y además provee realimentación negativa al inversor. C1 es un capacitor de acople para bloquear la componente de continua. R2 está para controlar la potencia que se entrega al cristal, limitando la corriente a través de él.

Multivibrador Biestable

(Ó mejor conocidos como Flip Flop en ingles)

Los Filp Flops son circuitos secuenciales en los cuales su salida depende de la entrada presente y pasada, son los dispositivos con memoria más comúnmente utilizados. Sus características principales son:

  1. Asumen solamente uno de dos posibles estados de salida.
  2. Tienen un par de salidas que son complemento una de la otra.
  3. Tienen una o mas entradas que pueden causar que el estado del Flip-Flop cambie.

Exiten 4 tipos de Flip Flops

  • Flip Flop Set-Reset
  • Flip Flop T
  • Flip Flop JK
  • Flipl Flop D

Flip-Flop S-R  (Set-Reset)

La siguiente figura muestra una forma posible de implementar un Flip-Flop S-R. Utiliza dos compuertas NOR. S y R son las entradas, mientras que Q y Q’ son las salidas (Q es generalmente la salida que se busca manipular.)

FF1

Como existen varias formas de implementar un Flip-Flop S-R (y en general cualquier tipo de Flip-Flop) se utilizan diagramas de bloque que representen al Flip-Flop. El siguiente diagrama de bloque representa un FF S-R. Nótese que ahora, por convención, Q se encuentra en la parte superior y Q’ en la inferior.

 

Para describir el funcionamiento de un FF se utilizan las llamadas Tablas de Estado. La siguiente tabla muestra la tabla de estado para un FF S-R.

FF2

Flip-Flop T

El Flip-flop T cambia de estado en cada pulso de T. El pulso es un ciclo completo de cero  a 1. Las siguientes dos figuras muestran el diagrama de bloque y una implementación del FF T mediante un FF S-R y compuertas adicionales.

FF3.PNG

Observen que en la implementación del FF T, las dos entradas del FF S-R están conectadas a compuertas AND, ambas conectadas a su vez a la entrada T. Además, la entrada Q esta conectada a R y Q’ a S. Esta conexión es así para permitir que el FF S-R cambié de estado cada que se le mande un dato a T. Por ejemplo, si Q = 1 en el tiempo actual, eso significa que Q’ = 0, por lo tanto, al recibir T el valor de 1, se pasaran los valores de R = 1 y S = 0 al FF S-R, realizando un reset de Q.

La siguiente tabla muestra el comportamiento del FF T y del FF S-R en cada pulso de T

FF4.PNG

Flip-Flop   J-K

 

El flip-flop J-K es una mezcla entre el flip-flop S-R y el flip-flop T. Esto ocurre de la siguiente manera:

 

·         En J=1, K=1  actúa como Flip-flop T
·         De otra forma, actúa como flip-flop S-R

 

El siguiente diagrama de bloque es el perteneciente el FF J-K

FF5

Una implementación tentativa de un FF J-K a partir de un FF S-R sin reloj es la siguiente:

FF6

La tabla de estado aparece a continuación. Note que es muy parecida a la del FF S-R solo que ahora los estados de J=1 y K=1 sí son válidos.

Tabla de estado del FF J-K

FF7

Este flip-flop es uno de los más comunes con reloj. El siguiente diagrama lo muestra con  entrada para reloj:

FF8

Flip-Flop D (Delay)

El flip-flop D  es uno de los FF más sencillos. Su función es dejar pasar lo que entra por D, a la salida Q, después de un pulso del reloj. Es, junto con el FF J-K, uno de los flip-flops mas comunes con reloj. Su tabla de estado se muestra a continuación:

FF9

De la tabla se infiere que la ecuación característica para el FF D es: Q+= D. El siguiente diagrama de bloques representa este flip-flop.

FF10

Inicialización de Flip-Flops

 

Cuando se están utilizando flip-flops en la construcción de circuitos, es necesario poder controlar el momento en el que un FF empieza a funcionar y el valor con el que inicia su secuencia. Para esto, los flip-flops cuentan con dos entradas que le permiten al diseñador seleccionar los valores iniciales del FF y el momento en el que empieza a funcionar. Estas entradas son llamadas en Inglés: Clear y Preset.

 

·         Clear – inicializa Q en cero sin importar entradas o reloj (  ).
·         Preset – inicializa Q en 1 sin importar entradas o reloj (  ).

 

Para ambas entradas, si reciben el valor de:

·         0 : inicializan el FF en el valor correspondiente.
·         1: el flip-flop opera normalmente

 

La siguiente figura muestra un FF J-K con entradas de inicialización. Note que tanto la entrada Clear, como la entrada Preset, tienen un círculo. Esto significa que la entrada funciona con un 0.

FF11

 

 

Multivibradores

Juguemos a combinar compuertas para crear trenes ; Espera ¿Qué?

Te recomendamos pasarte por el curso de Compuertas TTL antes de comenzar esta lección.

¿Y bien que es exactamente un multivibrador y para que nos sirve?

 

En pocas palabras, un multivibrador es un circuito electrónico capaz de generar trenes de ondas cuadradas y existen tres tipos de este, los monoestables, los astables o inestables y por último los biestables

 

Dejando a un lado los nombres raros veamos de que se trata cada uno de ellos

 

Multivibrador Monoestables

Se llama multivibrador monoestable a un dispositivo formado por dos transistores capaces de pasar de un estado estable a otro inestable, por los efectos de un impulso, con la particularidad de que el estado inestable tiene una duración que depende de las constantes del dispositivo. Todo vuelve a empezar cuando se produce un nuevo impulso.

Puede ser construido utilizando compuertas como se muestra.

Mulivibradores1

Multivibrador Astable o Inestable

El multivibrador astable es empleado para generar un tren de pulsos de reloj, es un multivibrador biestable sin estados estables.

Los multivibradores que no tienen estados estables se llaman multivibrador astable. Este tipo de circuito lógico cambia su salida una y otra vez (oscila) entre dos estados inestables. EI circuito es útil para generar señales de reloj para circuitos digitales síncronos

Multivibradores3

Existen varios tipos de multivibradores astables de uso común

Oscilador con disparo Schmitt

La figura muestra la forma en que un inversor con disparo Schmitt puede conectarse como un oscilador. La señal en Vout es aproximadamente una onda  cuadrada que depende de los valores de R y C.

Multivibradores4

Figura Oscilador con disparo tipo Schmitt. También se puede emplear una NAND con disparo tipo Schmitt.

 

Reducción Quine McCluskey

¡Hola, amigos! Gracias por seguir en este curso, poco a poco vamos avanzando y aprendiendo más sobre el mundo del diseño digital.

En esta ocasión vamos a ver el Método de Quine McCluskey. Donde te preguntarás ¿Qué rayos es el Método de Quine McCluskey?
El método de Quine McCluskey es un método (al parecer vamos a leer mucho esta palabra) tabular que se utiliza para minimizar funciones booleanas siguiendo un procedimiento algorítmico, el cual se realiza paso a paso o tabla por tabla. Como resultado, obtenemos una expresión normalizada y simplificada

1Quine

Parece que Patricio no entiende muy bien el concepto…

En pocas palabras, el método de Quine McCluskey evita que hagas miles de mapas de Karnaugh (imagina hacer una minimización de más de 6 variables, tedioso ¿No?). Así es, siempre hay un camino más rápido. Pero también tiene su chiste.

¿Qué ventaja tiene este método?
Podemos aplicarlo con el número de variables que sea ¡Las variables que sean!

Quine 2

¿Quedó más claro, Patricio?
Este hermoso método lo vamos a dividir en dos etapas:

3Quine

Nota: A los candidatos también les vamos a llamar implicantes primos o primeros implicados (Qué bonitos nombres).

Vamos a ver un ejemplo de este método y te enseñaré a resolverlo paso por paso, ¿te late?

4Quine

¡Vamos!

Paso 1 – Lo primero es lo primero.

Para saber si podemos aplicar el método de Quine McCluskey es necesario (lo pondré en negritas y en mayúsculas) TENER LA FUNCIÓN EXPRESADA EN FORMA CANÓNICA, ya sea expresada con una suma de minitérminos o un producto de maxitérminos. En este ejemplo vamos a usar minitérminos.

5Quine

Paso 2 – El poder de los unos

Aquí vamos a determinar en una tabla (ya empezamos a hacer tablas) el número de “1” que tiene cada término involucrado en la función.

6quine

Hasta aquí todo va bien, ¿no? Sólo tenemos que contar los unos de acuerdo la tabla que hicimos con los minitérminos.

Paso 3 – Más y más tablas

Aquí vamos a hacer una tabla más (y las que faltan), en ésta vamos a agregar una columna (sí, las columnas son las verticales) donde vamos a marcar qué términos se combinan y cuáles no. Los vamos a agrupar por el número de unos que contienen. Míra:

7quine

Al paso 3 también lo podría llamar “Paso de la agrupación” (Mira esa creatividad).

Paso 4 – Aquí viene lo bueno (y más tablas)

Con la tabla pasada que creamos, vamos a crear ¡Más tablas! Presta atención, que este paso está medio fumado.

Vamos a formar nuevas tablas combinando lo términos entre grupos de unos. Para que dos términos de puedan combinar, vamos a observar sus combinaciones binarias (los unos y los ceros) y si entre ellas existe SÓLO LA DIFERENCIA DE UN DÍGITO, entonces estos términos se combinan y se marcan con una palomita (o con lo que gustes marcarlos).

Mientras que, aquellos términos que no se pudieron combinar (pobrecitos), los vamos a marcar con un *, estos términos son los llamados términos implicantes (¿Recuerdas los bonitos nombres que mencioné en la nota?)

8Quine

¿Te das cuenta de cómo se hacen las combinaciones? Es muy fácil. Por ejemplo, en la combinación del 1 y 3, si notas en la tabla del paso 3, te darás cuenta que comparten un “1” en el bit D y la diferencia de un dígito de encuentra en el bit C del término 3. Eso mismo vamos a hacer con las demás combinaciones.

9Quine

Este es un agrupamiento más pro (y se supone que más complejo, pero para ti no lo es).

Paso 5 – Ya mero acabamos.

En este paso vamos a etiquetar a los implicantes primos que encontramos en las tablas, o sea, los asteriscos que tienen las tablas. Y después, procederemos a marcar con una palomita, cada uno de los términos que se combinaron en cada implicante primo.

10quine

11quine

Yo sé que esto es algo fumado, pero es fácil entenderlo. Tú puedes.

Paso 6 – Un empujoncito más.

Vamos a hacer un análisis por columna y aquella que sólo tenga una palomita, la vamos a encerrar en un círculo.

12quine

Paso 7 – A punto de acabar.

Aquí realizaremos un recorrido por cada uno de los renglones donde aparezca al menos una marca y se marcará en el último renglón todas aquellas columnas que tienen marcas

13quine

Paso 8 – El Final.

Si todas las columnas en el último renglón tienen marcas, se llegó al final de la segunda etapa. Amiga, amigo, terminaste de simplificar por el método de Quine McCluskey.

La función reducida estará formada por todos aquellos implicantes primos que al menos una de sus marcas se encuentra encerrada (echa ojo a las tablas del paso 4):

 

14Quine

Como puedes apreciar, hemos terminado el método. Con un poco de practica y algunos ejercicios, te darás cuenta que es un método muy fácil de usar. Como a todo, hay que dedicarle su debido tiempo para entenderlo mejor. Yo se que tu puedes aprenderlo.

15quine

Anda, sé feliz y baila como Patricio. Él si entendió el tema ¡Tú también puedes!

Microprocesador (Introducción).

Es el circuito integrado central y más complejo se un sistema se puede llamar por analogía el cerebro de la computadora. Es el encargado de ejecutar desde el sistema operativo hasta las aplicaciones Sólo ejecuta instrucciones a bajo nivel, es decir movimientos, operaciones aritméticas y lógicos simples.

Está compuesto por:

  • ALU: Unidad Aritmético-Lógica que hace cálculos con números y toma decisiones lógicas.
  • Registros: Zonas de memoria especiales para almacenar información temporalmente.
  • Unidad de Control: Descodifica los programas.
  • Bus: Transportan información digital (en bits) a través del chip y de la computadora.
  • Memoria Local: Utilizada para los cómputos efectuados en el mismo chip.
  • Memoria Cache: Memoria especializada que sirve para acelerar el acceso a los dispositivos externos de almacenamiento de datos.

Existen dos variantes fundamentales de arquitectura de procesadores: CISC (Complex Instruction Set Computer) y RISC (Reduced Instruction Set Computer).

CISC

Tienen un conjunto de instrucciones que se caracteriza por ser muy amplio y permitir operaciones complejas entre operandos situados en la memoria o en los registros internos. Este tipo de arquitectura dificulta el paralelismo entre instrucciones, por lo que, en la actualidad, la mayoría de los sistemas CISC de alto rendimiento implementan un sistema que convierte dichas instrucciones complejas en varias instrucciones simples del tipo RISC, llamadas generalmente microinstrucciones.

El nombre CISC apareció por contraposición a RISC cuando apareció esta nueva arquitectura de diseño (finales 1980).

RISC

Es una filosofía de diseño de CPU para computadora que está a favor de conjuntos de instrucciones pequeños y simples que se ejecutan más rápidamente y acceden a registros internos. Esta filosofía proviene del hecho de que muchas de las características de los diseños de las CPU estaban siendo ignoradas por los programas que eran ejecutados en ellas, principalmente por una simplificación de los compiladores que tienden a utilizar siempre las mismas instrucciones. Además, la velocidad del procesador en relación con la memoria de la computadora que accedía era cada vez más alta, por lo que se decidió reducir los accesos a memoria. Esto llevó a la aparición de RISC que utiliza diversas técnicas para reducir el procesamiento dentro del CPU, así como de reducir el número total de accesos a memoria.

Arquitectura Von Neumann

Tradicionalmente los sistemas con microprocesadores se basan en esta arquitectura, en la cual la unidad central de proceso (CPU), está conectada a una memoria principal única (casi siempre sólo RAM) donde se guardan las instrucciones del programa y los datos. A dicha memoria se accede a través de un sistema de buses único (control, direcciones y datos)

En un sistema con arquitectura Von Neumann el tamaño de la unidad de datos o instrucciones está fijado por el ancho del bus que comunica la memoria con la CPU. Así un microprocesador de 8 bits con un bus de 8 bits, tendrá que manejar datos e instrucciones de una o más unidades de 8 bits (bytes) de longitud. Si tiene que acceder a una instrucción o dato de más de un byte de longitud, tendrá que realizar más de un acceso a la memoria.

El tener un único bus hace que el microprocesador sea más lento en su respuesta, ya que no puede buscar en memoria una nueva instrucción mientras no finalicen las transferencias de datos de la instrucción anterior.

Las principales limitaciones que nos encontramos con la arquitectura Von Neumann son:

  • La limitación de la longitud de las instrucciones por el bus de datos, que hace que el microprocesador tenga que realizar varios accesos a memoria para buscar instrucciones complejas.
  • La limitación de la velocidad de operación a causa del bus único para datos e instrucciones que no deja acceder simultáneamente a unos y otras, lo cual impide superponer ambos tiempos de acceso.

Arquitectura Harvard

Este modelo, que utilizan los microcontroladores PIC, tiene la unidad central de proceso (CPU) conectada a dos memorias (una con las instrucciones y otra con los datos) por medio de dos buses diferentes.

Una de las memorias contiene solamente las instrucciones del programa (Memoria de Programa), y la otra sólo almacena datos (Memoria de Datos). Ambos buses son totalmente independientes lo que permite que la CPU pueda acceder de forma independiente y simultánea a la memoria de datos y a la de instrucciones. Como los buses son independientes éstos pueden tener distintos contenidos en la misma dirección y también distinta longitud. También la longitud de los datos y las instrucciones puede ser distinta, lo que optimiza el uso de la memoria en general.

Para un procesador de Set de Instrucciones Reducido, o RISC (Reduced Instruction Set Computer), el set de instrucciones y el bus de memoria de programa pueden diseñarse de tal manera que todas las instrucciones tengan una sola posición de memoria de programa de longitud.

Además, al ser los buses independientes, la CPU puede acceder a los datos para completar la ejecución de una instrucción, y al mismo tiempo leer la siguiente instrucción a ejecutar. Ventajas de esta arquitectura:

  • El tamaño de las instrucciones no está relacionado con el de los datos, y por lo tanto puede ser optimizado para que cualquier instrucción ocupe una sola posición de memoria de programa, logrando así mayor velocidad y menor longitud de programa.
  • El tiempo de acceso a las instrucciones puede superponerse con el de los datos, logrando una mayor velocidad en cada operación.

Partes de un Procesador

 Unidad de Control

Genera todas señales necesarias para controlar el circuito a través microinstrucciones así como las constantes en el sistema. Es decir va a tener un decodificador universal llamado memoria.

ROM de Programa

Es de solo lectura es decir solo se puede leer en tiempo de ejecución y se puede escribir cuando se está programando.

Memorias (Introducción)

Una memoria es un medio de almacenamiento de información permanente o semipermanente, la información almacenada posteriormente será recuperada. Existen numerosos tipos de memorias.

Tipos

  • Memorias Ópticas: La información se recupera utilizando la reflexión de la luz sobre la superficie del medio. En el caso de un CD o DVD, la lectura se realiza iluminando con un láser y midiendo la reflexión.
  • Memorias Magnéticas: Se utilizan patrones de magnetización sobre una superficie cubierta de un material magnetizable. Algunos de estos tipos de memorias como son: disco duro, disquete, cinta magnética, etc.
  • Memorias de Semiconductor: Es un circuito integrado o chip capaz de almacenar un número binario y recordarlo cuando éste sea direccionado o seleccionado por la Unidad Central de Proceso o CPU, o cualquier otro dispositivo digital. Existen dos principales tipos de memoria; RAM y ROM.

RAM

La memoria de acceso aleatorio (en inglés: random-access memory),se utiliza como memoria de trabajo para el sistema operativo, los programas y la mayoría del software. Es allí donde se cargan todas las instrucciones que ejecutan el procesador y otras unidades de cómputo. Se denominan «de acceso aleatorio» porque se puede leer o escribir en una posición de memoria con un tiempo de espera igual para cualquier posición, no siendo necesario seguir un orden para acceder a la información de la manera más rápida posible.

Hay dos tipos básicos de memoria RAM

  • RAM dinámica (DRAM)
  • RAM estática (SRAM)

Los dos tipos de memoria RAM se diferencian en la tecnología que utilizan para guardar los datos, la memoria RAM dinámica es la más común.

Memoria DRAM

(Dynamic Random Access Memory) es un tipo de memoria dinámica de acceso aleatorio que se usa principalmente en los módulos de memoria RAM y en otros dispositivos, como memoria principal del sistema. Se denomina dinámica, ya que para mantener almacenado un dato, se requiere revisar el mismo y recargarlo, cada cierto período, en un ciclo de refresco. Su principal ventaja es la posibilidad de construir memorias con una gran densidad de posiciones y que todavía funcionen a una velocidad alta: en la actualidad se fabrican integrados con millones de posiciones y velocidades     de acceso medidos en millones de bit por segundo. Es una memoria volátil, es decir cuando no hay alimentación eléctrica, la memoria no guarda la información. Inventada a finales de los sesenta, es una de las memorias más usadas en la actualidad.

Memoria SRAM

Static Random Access Memory (SRAM), o Memoria Estática de Acceso Aleatorio es un tipo de memoria basada en semiconductores que a diferencia de la memoria DRAM, es capaz de mantener los datos, mientras esté alimentada, sin necesidad de circuito de refresco. Sin embargo, sí son memorias volátiles, es decir que pierden la información si se les interrumpe la alimentación eléctrica.

La memoria RAM dinámica necesita actualizarse miles de veces por segundo, mientras que la memoria RAM estática no necesita actualizarse, por lo que es más rápida, aunque también más cara. Ambos tipos de memoria RAM son volátiles, es decir, que pierden su contenido cuando se apaga el equipo.

ROM

La memoria de solo lectura, conocida también como ROM (acrónimo en inglés de read-only memory), es un medio de almacenamiento utilizado en ordenadores y dispositivos electrónicos, que permite solo la lectura de la información y no su escritura, independientemente de la presencia o no de una fuente de energía.

Los datos almacenados en la ROM no se pueden modificar, o al menos no de manera rápida o fácil. Se utiliza principalmente para contener el firmware (programa que está estrechamente ligado a hardware específico, y es poco probable que requiera actualizaciones frecuentes) u otro contenido vital para el funcionamiento del dispositivo, como los programas que ponen en marcha el ordenador y realizan los diagnósticos.

 

Glosario

 

Bit

 

Binary digit es una expresión inglesa que significa “dígito binario” y que da lugar al término bit, su acrónimo en nuestra lengua. El concepto se utiliza para nombrar a una unidad de medida de información que equivale a la selección entre dos alternativas que tienen el mismo grado de probabilidad. El bit, en otras palabras, es un dígito que forma parte del sistema binario. El bit es la unidad más pequeña de información. Permite representar dos valores diferentes (como abierto/cerrado o verdadero/falso) y asignar dichos valores al estado de encendido (1) o apagado (0).

 

Byte

 

El conjunto de ocho bits que forman una unidad de información recibe el nombre de octeto. Un byte, por otra parte, es una seguidilla de bites aledaños cuyo tamaño está vinculado al código de información en que esté definido. Es habitual, de todas formas, que un byte está compuesto por 8 bites.

 

Celda Binaria

 

La celda binaria es el bloque básico de construcción de una unidad de memoria, es capaz de almacenar un bit de información, esta información que recibe, almacena y transmite puede ser un 1 o un 0; el cual será utilizado para formar un conjunto más grande de información y tiene 2 salidas una para el valor normal y otra para el valor complementado del bit almacenado en él.

 

Palabra de Memoria

 

Una palabra es una cadena finita de bits que son manejados como un conjunto por la máquina. El tamaño o longitud de una palabra hace referencia al número de bits contenidos en ella, y es un aspecto muy importante al momento de diseñar una arquitectura de ordenadores. El tamaño de una palabra se refleja en muchos aspectos de la estructura y las operaciones de las computadoras. La mayoría de los registros en un ordenador normalmente tienen el tamaño de la palabra. El valor numérico típico manipulado por un ordenador es probablemente el tamaño de palabra. La cantidad de datos transferidos entre la CPU del ordenador y el sistema de memoria a menudo es más de una palabra. Una dirección utilizada para designar una localización de memoria a menudo ocupa una palabra. Los ordenadores modernos normalmente tienen un tamaño de palabra de 16, 32 ó 64 bits.

Se puede acomodar como:

  • Bit – 1
  • Nibble – 4
  • Byte – 8
  • Word – 16
  • Double Word – 32
  • Double Double Word – 64

 

Muchos otros tamaños se han utilizado en el pasado, como 8, 9, 12, 18, 24, 36, 39, 40, 48 y 60 bits. El slab es uno de los ejemplos de uno de los primeros tamaños de palabra. Algunos de los primeros ordenadores eran decimales en vez de binarios, típicamente teniendo un tamaño de palabra de 10 ó 12 dígitos decimales.

Dirección de Memoria

 

En informática, una dirección de memoria es un identificador para una localización de memoria con la cual un programa informático o un dispositivo de hardware pueden almacenar un dato para su posterior reutilización. Una forma común de describir la memoria principal de una computadora es como una colección de celdas que almacenan datos e instrucciones. Cada celda está identificada por un número o dirección de memoria.

 

Densidad de Memoria

 

La densidad superficial es una medida sobre la cantidad de bits de información que se puede almacenar en una longitud dada de la pista , área de la superficie , o en un volumen dado de un medio de almacenamiento informático . En general, una mayor densidad es más deseable , ya que permite un mayor volumen de datos que se almacenan en el mismo espacio físico . Por lo tanto, la densidad tiene una relación directa con la capacidad de almacenamiento de un medio dado. La densidad también, en general tiene un efecto bastante directo sobre el rendimiento así como el precio.

 

Latencia

 

Se denominan latencias de una memoria RAM a los diferentes retardos producidos en el acceso a los distintos componentes de esta última. Estos retardos influyen en el tiempo de acceso de la memoria por parte de la CPU, el cual se mide en nanosegundos (10 -9 s) Resulta de particular interés en el mundo del overclocking el poder ajustar estos valores de manera de obtener el menor tiempo de acceso posible.

 

Bus de Datos

 

Un bus de datos es un dispositivo mediante el cual al interior de una computadora se transportan datos e información relevante. El bus es una serie de cables que funcionan cargando datos en la memoria para transportarlos a la Unidad Central de Procesamiento o CPU. En otras palabras, un bus de datos es una autopista o canal de transmisión de información dentro de la computadora que comunica a los componentes de dicho sistema con el microprocesador. El bus funciona ordenando la información que es transmitida desde distintas unidades y periféricos a la unidad central, haciendo las veces de semáforo o regulador de prioridades y operaciones a ejecutar.

 

Bus de Direcciones y Control

 

El bus de direcciones es un canal del microprocesador totalmente independiente del bus de datos donde se establece la dirección de memoria del dato en tránsito. El bus de dirección consiste en el conjunto de líneas eléctricas necesarias para establecer una dirección. La capacidad de la memoria que se puede direccionar depende de la cantidad de bits que conforman el bus de direcciones, siendo 2 n el tamaño máximo en bits del banco de memoria que se podrá direccionar con n líneas. Un bus de control, es parte del bus de la computadora (la conexión física), que es utilizado por la CPU para comunicarse con otros dispositivos. El bus de control transmite comandos desde la CPU y devuelve una señal de estado desde el dispositivo.

Digital y Analógico.

Primero ¿Qué es eso de digital?

Es una buena pregunta. Resulta que este concepto viene acompañado de su amigo:

Analógico.

Seguramente has escuchado de estos conceptos en frases como. Reloj digital o señal analógica. Y como yo seguramente no tienes idea.

Empecemos por el señor analógico.

Vamos a poner unos ejemplos. Cuando tu vez un arcoíris estas viendo una medición analógica.

Cuando vez el termómetro de mercurio (esos que usaba tu mamá) estás usando una medición analógica. (Aunque seguramente estés muriendo de fiebre y no te importe)43573108-hind-ganesha-sobre-mandala-colorido-adornado-ilustraci-n-del-vector-foto-de-archivo

Definition time:

“Todo lo analógico es un medio o simulación continuos de algún tipo de hecho, actividad o proceso”-Fabián Romo Zamudio DGSCA UNAM Agosto 2004.

 

Vamos a usar un reloj.

reloj

Hermoso reloj no?

Bueno este aparato mide el tiempo a través del movimiento de pequeñas agujas, ahora, el correr de estas manecillas impulsadas por electricidad (o magia) no constituye el tiempo en si. Es una simulación.

Estas señales como vez no son exclusivas de la electrónica, sin embargo tenemos los acetatos. Resulta que si le colocamos un microscopio podremos ver un surco lleno de asperezas y el sonido se produce por el arrastre de la aguja con el surco irregular. Cool no?

Quieres otro ejemplo? Bueno tu lo pediste… Las señales de onda como televisión o radio también son ejemplos.

Bueno tenemos unos pequeños problemas.

  • Toda onda puede ser interferida por otra de igual o mayor potencia.
  • La información analógica tiende a degradarse conforme se avanza en el tiempo y el espacio.
  • Al ser simulaciones continuas, es muy alto el volumen de información que se procesa, almacena o transmite.

Después apareció el amigo que nos importa:

Digital

Resulta que con la aparición de la electricidad y con ella la electrónica se dejaron de hacer simulaciones y pasaron a ser representaciones discretas.

Volviendo a nuestro reloj, una representación discreta del tiempo es:

reloj-digital

Un reloj digital!!! 🙂

En lugar de moverse las manecillas el tiempo es representado con números, ósea, dando una equivalencia a un proceso que esta en marcha con otros símbolos o valores.

Si tomamos una onda analógica podemos asignar valores a cada elemento o punto. La cantidad que tomemos de esos valores se denomina tamaño de muestra. Esto es como aproximar el área de una curva por medio de pequeñas barras, mientras mas pequeñas sean estas, el valor será más cercano al real.

Los CD’s  y  DVD’s usan conversores para las señales analógicas que reproducen, es decir, convierten las ondas en cadenas de 1 y 0, la cual se registra en el CD en pequeñas marcas, después se realiza una conversión de digital a analógico para ser entendible por el humano.

Tenemos ventajas sobre lo analógico:

  • Se conserva copia a copia (es mas estable).
  • Requiere menos almacenamiento.
  • Puedes localizar información de manera no lineal. ( como en una fila, no necesitas pasar por el primer individuo para ir al ultimo).
  • Es difícil de interferir por información similar.

Una desventaja es que siempre se necesita conversores Analógico-Digital (ADC) y Digital- Analógicos (DAC).

 

 

 

 

 

 

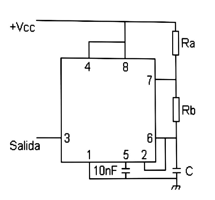
CI 555 Astable y Monoestable

Para realizar algunos circuitos se usan los temporizadores, los cuales mandan un 1(5 volts) o 0 (0 volts) de manera síncrona. De manera que de salida tenemos un tren de pulsos.

Es una onda cuadrada de 0 y 5 volts con un tiempo por estado. El CI 555 es un dispositivo compatible con la tecnología TTL. El tiempo del ciclo depende de los valores del resistor y del capacitor.

Nota: Es imposible producir como salida una onda cuadrada de 50% de trabajo. (Explota Boooom).

Sin embargo, es posible obtener un ciclo de trabajo más cercano al 50% al hacer que Rb sea mayor que Ra.

 

Tenemos los siguientes pines.

 

555 pin

  • Máximo Valor de Ra+Rb: 3.4M
  • Valor mínimo de Ra: 5K
  • Valor mínimo de Rb: 3K

Pin 1: Tierra o masa: (Ground)

Pin 2: Disparo: (Trigger) En este pin es donde se establece el inicio del tiempo de retardo, si el 555 es configurado como monostable. Este proceso de disparo ocurre cuando este pin va por debajo del nivel de 1/3 del voltaje de alimentación. Este pulso debe ser de corta duración, pues si se mantiene bajo por mucho tiempo la salida se quedará en alto hasta que la entrada de disparo pase a alto otra vez.

Pin 3: Salida: (Output)

Pin 4: Reset: Si este pin se le aplica un voltaje por debajo de 0.7 voltios, entonces la patilla de salida 3 se pone a nivel bajo. Si esta patilla no se utiliza hay que conectarla a Vcc para evitar que el 555 se resetee.

Pin 5: Control: El voltaje aplicado a la patilla # 5 puede variar entre un 40 y un 90% de Vcc en la configuración monostable. Cuando se utiliza la configuración astable, el voltaje puede variar desde 1.7 voltios hasta Vcc. Modificando el voltaje en esta patilla en la configuración astable causará que la frecuencia del astable sea modulada en frecuencia (FM). Si este pin no se utiliza, se recomienda ponerle un condensador de 0.01uF para evitar las interferencias.

Pin 6 Umbral (Threshold): Es una entrada a un comparador interno que tiene el 555 y se utiliza para poner la salida (Pin  3) a nivel bajo bajo.

Pin 7 Descarga: Utilizado para descargar el condensador externo utilizado por el temporizador para su funcionamiento.

Pin 8- Vcc: Este es el pin donde se conecta el voltaje positivo de la alimentación que puede ir desde 4.5 voltios hasta 16 voltios (máximo).

Configuración monoestable.

Conocidos como Vibradores de Disparos.

monoestable

Es recomendable, para no tener problemas de sincronización que el flanco de bajada de la señal de disparo sea de una pendiente elevada, pasando lo más rápidamente posible a un nivel bajo (idealmente 0V).

 

  • Cuando la señal de disparo está a 5V , la salida se mantiene a nivel bajo 0V, que es el estado de reposo.
  • Una vez se produce el flanco descendente de la señal de disparo y se pasa por el valor de disparo, la salida se mantiene a nivel alto (Vcc) hasta transcurrido el tiempo determinado por la ecuación:

T= 1.1 Ra C

Monoestable 555

 

Configuración Astable

Esta configuración generará un tren de pulsos.

astable

La frecuencia de cambio de estado esta dada por la siguiente ecuación:

F=1.443/(Ra+Rb)C.

Teniendo un tren de pulsos de:

trenastable

 

astable555