En esta ocasión veremos qué onda con los cristales en el área de electrónica y para esto recurriremos a nuestro amigo Superman.

Vale ya enserio, a diferencia de Superman donde los usaban para guardar información, en electrónica un cristal de cuarzo nos sirve para controlar frecuencias en circuitos eléctricos convirtiendo vibraciones en voltajes eléctricos a una frecuencia especifica. Genial no?
Introducción a los Cristales de Cuarzo
Todo lo anterior ocurre debido al efecto «piezoeléctrico». La pieza-electricidad es electricidad creada por una presión mecánica. En un material piezoeléctrico, al aplicar una presión mecánica sobre un eje, dará como consecuencia la creación de una carga eléctrica a lo largo de un eje ubicado en un ángulo recto respecto al de la aplicación de la presión mecánica.
En algunos materiales, se encuentra que, aplicando un campo eléctrico según un eje, produce una deformación mecánica según otro eje ubicado a un ángulo recto respecto al primero. Por las propiedades mecánicas, eléctricas, y químicas, el cuarzo es el material más apropiado para fabricar dispositivos con frecuencia bien controlada.
La siguiente figura muestra la ubicación de elementos específicos dentro de una piedra de cuarzo.

Hablando un poco sobre nuestros amigos los cristales…
Su Potencia de trabajo (Drive Level)
Es la potencia disipada por el cristal. Está normalmente especificada en micro o milivatios, siendo un valor típico 100 microvatios.
La Tolerancia en la frecuencia
La tolerancia en la frecuencia se refiere a la máxima desviación permitida y se expresa en partes por millón (PPM) para una temperatura especificada, usualmente 25°C.
Estabilidad de la frecuencia
La estabilidad de la frecuencia se refiere a la máxima desviación en PPM, en un determinado rango de temperatura. La desviación está tomada con referencia a la frecuencia medida a 25°C.
Envejecimiento
El envejecimiento se refiere a los cambios acumulativos en la frecuencia del cristal con el transcurrir del tiempo. Los factores que intervienen son: exceso en la potencia disipada, efectos térmicos, fatiga en los alambres de armado y pérdidas en la elasticidad del cristal. El diseño de circuitos considerando bajas temperaturas ambientales y mínimas potencias en el cristal reducirán el envejecimiento.
Y como se usan?
En un circuito muy básico podríamos decir que se ven algo así

En el llamado Circuito eléctrico equivalente, que se muestra a continuación muestra un esquema del cristal de cuarzo trabajando a una determinada frecuencia de resonancia. El capacitor Co o capacidad en paralelo, representa en total la capacidad entre los electrodos del cristal más la capacidad de la carcasa y sus terminales. R1,C1 y L1 conforman la rama principal del cristal y se conocen como componentes o parámetros motional donde:
L1 representa la masa vibrante del cristal,
C1 representa la elasticidad del cuarzo y
R1 representa las pérdidas que ocurren dentro del cristal.
Bien ahora que ya conocemos un poco acerca de esta maravilla de la ingeniería, aprendamos a usarlos de forma organizada.
Configuración paralela de un Cristal
Un circuito oscilador paralelo utiliza un cristal que está diseñado para operar con un valor específico de capacidad de carga. Esto resultará en un cristal que tendrá una frecuencia mayor que la frecuencia resonante serie, pero menor que la verdadera frecuencia resonante paralelo. Veamos un circuito básico como se muestra a continuación.

Este circuito utiliza un inversor simple para hacer el oscilador, donde R1 y R2 cumplen las mismas funciones que en el circuito del oscilador resonante serie (el cual veremos un poco más adelante), con dos capacitores en la realimentación, que componen la capacidad de carga y en conjunto con el cristal darán lugar a la frecuencia a la cual oscilará el circuito. O sea que ajustes en los capacitores de carga, darán lugar a una variación pequeña en la frecuencia de oscilación, permitiendo un ajuste fino de la misma.
El cristal es resonante paralelo, especificado para trabajar con una determinada capacidad de carga a la frecuencia deseada y con la tolerancia y estabilidad deseadas. La capacidad de carga para el cristal en este circuito puede ser calculada con la siguiente fórmula:

Un dato interesante…
Para inversores de las familias lógicas CMOS de alta velocidad Cs es la capacidad parásita del circuito y normalmente se estima entre 3pf a 10pf.
R1 es del orden de 8.2 MOhm a 10 MOhm
R2 es del orden de 470 Ohm a 2200 Ohm
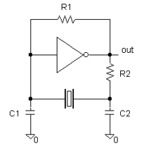
Configuración serial
Un circuito básico oscilador resonante serie, utiliza un cristal que está diseñado para oscilar en su frecuencia resonante serie natural. En éste circuito no hay capacitores en la realimentación Los circuitos resonantes serie son usados por la baja cantidad de componentes que se utilizan, pero estos circuitos pueden tener componentes parásitos que intervienen en la realimentación. y en el caso que el cristal deje de funcionar oscilarán a una frecuencia impredecible. El esquema del circuito oscilador serie es:

De la figura del circuito básico del oscilador resonante serie se ve que no existen componentes para ajustar la frecuencia de oscilación. R1 es utilizado para polarizar el inversor en su región lineal de operación y además provee realimentación negativa al inversor. C1 es un capacitor de acople para bloquear la componente de continua. R2 está para controlar la potencia que se entrega al cristal, limitando la corriente a través de él.